|
Thông tin chi tiết sản phẩm:
Thanh toán:
|
| Làm nổi bật: | bơm thủy lực biến thiên |
||
|---|---|---|---|
Bơm dầu bùn công nghiệp áp suất cao A10VSO45
Mô tả sản phẩm Chi tiết
Bơm thủy lực trục quay tốc độ cao cho máy đào Exciter 45cc
Chi tiết nhanh
Bơm thủy tinh biến áp áp suất cao
Trục bơm pít-tông
thuyên chuyển là 18cc / 28cc / 45cc
Xoay chiều kim đồng hồ
máy xúc, máy công cụ
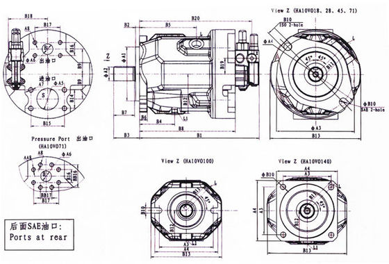
Bơm trục piston trục, công suất thay thế là 18cc / 28cc / 45cc / 71cc / 100cc / 140cc.
Kiểm soát áp suất và dòng chảy
Xoay chiều kim đồng hồ
Con dấu Perbunan
Trục quay
SAE 2 lỗ UNC inch
Thru-drive Bìa phía sau, có thể kết nối bơm khác
Thông số kỹ thuật:
Thông số kỹ thuật: |
|
|
| 16/18 | 28 | 45 | 71 | 100 | 140 |
Chuyển |
| Vg max | cm 3 | 18 | 28 | 45 | 71 | 100 | 140 |
tốc độ tối đa |
| n tối đa | vòng / phút | 3300 | 3000 | 2600 | 2200 | 2000 | 1800 |
Tối đa lưu lượng | trong n max | q v | L / phút | 59,4 | 84 | 117 | 156 | 200 | 252 |
vào 1500 r / phút | 27 | 42 | 68 | 107 | 150 | 210 | |||
Tối đa điện (Δp = 280bar)
| trong n max | P max | Kw | 27,7 | 39 | 55 | 73 | 93 | 118 |
vào 1500 r / phút | 12,6 | 20 | 32 | 50 | 70 | 98 | |||
Tối đa momen xoắn (Δp = 280bar)
| trong Vg max | Tmax | Nm | 80,1 | 125 | 200 | 316 | 445 | 623 |
Cân nặng |
| m | Kilôgam | 12 | 15 | 21 | 33 | 45 | 60 |
Bơm trục piston trục, công suất thay thế là 18cc / 28cc / 45cc / 71cc / 100cc / 140cc.
Kiểm soát áp suất và dòng chảy
Xoay chiều kim đồng hồ
Con dấu Perbunan
Trục quay
SAE 2 lỗ UNC inch
Thru-drive Bìa phía sau, có thể kết nối bơm khác
Các ứng dụng:
Hệ thống thủy lực. Hệ thống thủy lực tàu.
máy đào, máy công cụ, nông nghiệp, bùn bùn, khoan mỏ khoan Rig
Lợi thế:
Chất lượng tốt, Giá cả cạnh tranh và giao hàng nhanh.
Tiếng ồn thấp, Khối lượng nhỏ
A10VSO28, A10VSO45, A10VSO71, A10VSO100, A10VSO140

Chuyển | Bích A (B) Tờ ISO (4) | Bích C (D) SAE 2 (4) lỗ ngỗng | A4 | A5 | A6 | ||||||||
A1 | A3 | B2 | B10 | L (L1) | A1 | A3 | B2 | B10 | L (L1) | ||||
18 | 80 giờ | 109 | 7 | 11 | M16 × 1,5 | 82,55h8 | 106,4 | 6.3 | 11 | 9 / 16-18UNF | 134 | 25 | 20 |
28 | 100h8 | 140 | 9 | 14 | M18 × 1,5 | 101.6h8 | 146 | 9,5 | φ14 | 3 / 4-16 UNF | 174 | 32 | 20 |
45 | 100h8 | 140 | 9 | 14 | M22 × 1,5 | 101.6h8 | 146 | 9,5 | φ14 | 7 / 8-14 UNF | 174 | 40 | 25 |
71 | 125 giờ | 180 | 9 | 18 | M22 × 1,5 | 127h8 | 181 | 12,7 | φ18 | 7 / 8-14 UNF | 210 | 50 | 25 |
100 | 125 giờ | 180 | 9 | 17,5 | M27 × 2 | 127h8 | 181 | 12,7 | 17,5 | 11 / 16-12 UNF | 210 | 60 | 32 |
140 | 180h8 | 158,4 x 158,4 | 9 | φ18 | M27 × 2 | 152.4h8 | 161,6 x 161,6 | 12,7 | φ20 | 11 / 16-12 UNF | 200 x 200 | 63 | 32 |
CẦU DẦU TYPE Kích thước
Chuyển | CẢNG Ở CÁC VÙNG OPPO | CẢNG LẠI | (UNC) | |||||||||||
B1 | B8 | B9 | B18 | B19 | B20 | B1 | B8 | B9 | B18 | B19 | B20 | A7 | A8 | |
18 | 195 | 145 | 63 | 109 | 40 | 130 | M10 (3 / 8-16UNC) | M10 (3 / 8-16UNC) | ||||||
28 | 206 | 164 | 80 | 119 | 40 | 140 | 225 | 170 | 45 | 73 | 43 | 209 | M10 (7 / 16-14UNC) | M10 (3 / 8-16UNC) |
45 | 224 | 184 | 90 | 129 | 40 | 155 | 244 | 189 | 50 | 81,5 | 40 | 228 | M12 (1 / 2-13UNC) | M10 (3 / 8-16UNC) |
71 | 259 | 217 | 104 | 143 | 40 | 183 | 278 | 223 | 58 | 91,5 | 40 | 262 | M12 (1 / 2-13UNC) | M10 (3 / 8-16UNC) |
100 | 329 | 275 | 100 | 148 | 40 | 250 | 344 | 288 | 55 | 99 | 40 | 327 | M12 (1 / 2-13UNC) | M14 (1 / 2-13UNC) |
140 | 337,5 | 275 | 110 | 183 | 27 | 222 | 379 | 293 | 60 | 140 | 27 | 353 | M12 (1 / 2-13UNC) | M14 (1 / 2-13UNC) |
Kích thước phổ quát
CC | B 4 | B5 | B6 | B11 | B12 | B13 | B14 | B15 | B16 | B17 | X | B | S |
18 | 43 | 83 | 11,5 | 67 | 66 | 152 | 26,2 | 52,4 | 22,2 | 47,6 | 7 / 16-20UNF | 3/4 " | 1 " |
28 | 40 | 90 | 13 | 74 | 75 | 164 | 30,2 | 58,7 | 22,2 | 47,6 | 7 / 16-20UNF | 3/4 " | 11/4 " |
45 | 45 | 96 | 13 | 83 | 81 | 184 | 35,7 | 69,9 | 26,2 | 52,4 | 7 / 16-20UNF | 1 " | 11/2 " |
71 | 53 | 115 | 17 | 98 | 92 | 210 | 42,9 | 77,8 | 30,2 | 58,7 | 7 / 16-20UNF | 1 " | 2 " |
100 | 95 | 175 | 20 | 106 | 95 | 236 | 50,8 | 88,9 | 31,8 | 66,7 | 7 / 16-20UNF | 11/4 " | 21/2 " |
140 | 78 | 173 | 21 | 118,5 | 108 | 262 | 50,8 | 88,9 | 31,8 | 66,7 | M14 x 1,5 | 11/4 " | 21/2 " |
Đánh giá chung
Ảnh chụp nhanh về xếp hạng
Sau đây là phân phối của tất cả các xếp hạngTất cả đánh giá